Najneskorsi prichod rieseni: 15. marec 1994 Adresa: FKS, KZDF MFF UK, Mlynska dolina, 842 15 Bratislava
A-1.1 (5 bodov)
V kastrole je voda s teplotou t1 = 60oC. Kastrol je zakryty pokryvkou s hmotnostou m = 5 kg a plochou S = 100 cm2. Vodu pomaly zohrievame na t2 = 70oC. Kolkokrat podskoci pokryvka za tento cas, ak tlak nasytenych par pri t1 je p1 = 2000 Pa, pri t2 je p2 = 3100 Pa a atmosfericky tlak je p0 = 105 Pa?A-1.2 (5 bodov)
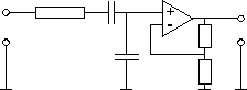
Na nastennych malbach neandrtalcov sa objavuju kresby podobne tej na obrazku. Niektori tvrdia, ze ide o bykov, ini, ze nosorozcov, avsak najpravdepodobnejsie bude, ze sa jedna o schemu "zosilnovaca", ktoru tu zanechali UFO-ni. Co sa da o takomto zosilnovaci povedat?
A-1.3 (6 bodov)
Mame dve rovnako velke gulicky s polomerom r zavesene na rovnakych pruzinkach s tuhostou k. Hmotnosti guliciek su m1 a m2. Prva gulicka je ponorena vo vode, druha vo vzduchu ako na obrazku. Urcte pomer m1/m2, ak po vychyleni guliciek o rovnaku malu vzdialenost:
A-1.4 (6 bodov)
Sud tvaru valca polomeru R, v ktorom je voda hmotnosti m, sa vali po naklonenej rovine, pricom po nom bezi pes tak, ze je stale v najvyssom bode (pozri obrazok). S akym zrychlenim sa pohybuje sud? Hmotnost samotneho suda povazujte za zanedbatelnu voci hmotnosti vody v nom.