Najneskorsi prichod rieseni: 3. november 1999 Adresa: FKS, KZDF MFF UK, Mlynska dolina, 842 15 Bratislava
A-2.1 Farba Mesiaca (5 bodov)
Mesiac je v noci zlty a cez den biely. Preco?A-2.2 Rychlost chodze (5 bodov)
Odhadnite rychlost chodze cloveka a zostrojte fyzikalny model chodze. Aka bude rychlost chodze na Mesiaci?A-2.3 Elektricka kocka (5 bodov)
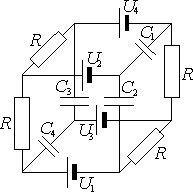
Vypocitajte naboj na kazdom kondenzatore kocky na obrazku.
Pre ciselne dosadenie pouzite hodnoty U1 = 4 V, U2 = 8 V, U3 = 12 V, C1=C2=C3= C4 = 1 mF. Hodnoty vsetkych odporov su rovnake.
A-2.4 Zastavujuci kotuc (5 bodov)
Plny disk s hmotnostou M a polomerom R sa otaca uhlovou rychlostou w. Zvrchu nan nechame pomaly padnut latku o hmotnosti m tak, ze ked sa tato dotyka kotuca, zviera s vodorovnou rovinou uhol a a uhol medzi dotykovym bodom a najvrchnejsim bodom kotuca je 45o.
Kolko otacok kotuc este urobi, ak sa otaca:
a) v smere,
b) proti smeru
hodinovych ruciciek?